92/38, Đường số 12, Khu phố 18, P.Bình Hưng Hòa, Q.Bình Tân, Tp.Hồ Chí Minh, Việt Nam.

Drifco – Giải Pháp Van PCCC Chất Lượng Cao từ Trung Quốc | Nhà Phân Phối PME

  • 13/03/2026
  • Drifco – Giải Pháp Van PCCC Chất Lượng Cao từ Trung Quốc | Nhà Phân Phối PME

    Giới thiệu

    Drifco là thương hiệu chuyên sản xuất van và thiết bị hệ thống phòng cháy chữa cháy (PCCC) chất lượng cao đến từ Trung Quốc. Với nhiều năm kinh nghiệm trong ngành fire protection system, Drifco cung cấp các dòng van đạt tiêu chuẩn quốc tế, được sử dụng rộng rãi trong các hệ thống sprinkler, hệ thống chữa cháy tự động, hệ thống cấp nước chữa cháy tại nhà máy, kho xưởng, trung tâm thương mại và công trình công nghiệp.

    Sản phẩm của Drifco được sản xuất theo các tiêu chuẩn kỹ thuật nghiêm ngặt, đảm bảo độ bền, độ kín và khả năng vận hành ổn định trong điều kiện áp lực và nhiệt độ cao.


    Các sản phẩm van PCCC Drifco phổ biến

    Drifco cung cấp đa dạng thiết bị cho hệ thống chữa cháy, bao gồm:

    • Gate Valve (Van cổng)
    • Butterfly Valve (Van bướm)
    • Check Valve (Van một chiều)
    • Y Strainer (Lọc Y)
    • Control Valve (Van điều khiển)
    • Fire Hydrant (Trụ chữa cháy)
    • Air Relief Valve (Van xả khí)
      Drifco – Giải Pháp Van PCCC Chất Lượng Cao từ Trung Quốc | Nhà Phân Phối PME

     


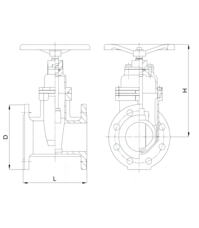
    Van cổng PCCC (Gate Valve)

    Van cổng Drifco thường được lắp trong hệ thống đường ống cấp nước chữa cháy nhằm đóng/mở dòng chảy.

    Ưu điểm:

    • Độ kín cao

    • Lưu lượng lớn

    • Thích hợp cho hệ thống đường ống lớn

      Van cổng PCCC (Gate Valve)

     


    1. Van cổng OS&Y với đầu bích ANSI 125/150

    1. Giới thiệu sản phẩm

    Van cổng OS&Y (Rising Stem Resilient-Seated) áp suất 300 PSI được thiết kế làm van điều khiển chính trong hệ thống sprinkler tự động chữa cháy. Van có bích lớp 125, đầu kết nối mặt phẳng, giúp lắp đặt và bảo trì dễ dàng. Van cổng OS&Y được khuyến nghị khi cần đóng/mở chắc chắncó chỉ báo trực quan nhanh về trạng thái mở/đóng. Van này còn được trang bị trục đã rãnh sẵn để lắp đặt công tắc chống can thiệp (tamper switch).

    2. Tính năng và ứng dụng sản phẩm

    • Đạt hoặc vượt tiêu chuẩn AWWA C515

    • Đường dẫn nước hoàn toàn (Full Waterway)

    • Gói đệm điều chỉnh được (Adjustable Packing)

    • Nêm gang dẻo, bọc EPDM (Ductile Iron Wedge, EPDM Encapsulated)

    • Chiều dài mặt bích theo ANSI/ASME B16.10 (Face to Face Dimensions to ANSI/ASME B16.10)

    • Khoan bích theo ANSI B16.1, Class 125 (Flange Drilling to ANSI B16.1, Class 125)

    • Được FM chứng nhận, áp suất 300 PSI (FM Approved 300PSI Rating)

    • Lớp phủ Epoxy liên kết nhiệt, cả trong và ngoài theo tiêu chuẩn AWWA C550 (Fusion Bonded Epoxy Coated Interior and Exterior to AWWA C550 Standard)

     

    3. Các bộ phận chính

    Thân (body) Gang dẻo theo tiêu chuẩn A536, 65-45-12 Nắp (Bonnet) Gang dẻo theo tiêu chuẩn A536, 65-45-12
    Đĩa (Resilient wedge disc)                Gang dẻo theo tiêu chuẩn A536, 65-45-12 + EPDM                          Trụ (Stem) SS304 / SS316 / SS420 / SS431
    Yoke Gang dẻo theo tiêu chuẩn A536, 65-45-12 Tay xoay (Hand wheel)                     Gang dẻo theo tiêu chuẩn A536, 65-45-12                                
    Body Ductile iron as A536, 65-45-12 Bonnet Ductile iron as A536, 65-45-12
    Resilient wedge disc Ductile iron as A536, 65-45-12 + EPDM Stem SS304 / SS316 / SS420 / SS431
    Yoke Ductile iron as A536, 65-45-12 Hand wheel Ductile iron as A536, 65-45-12

     

    Bảng vẽ Van cổng OS&Y với đầu bích ANSI 125/150
    Van cổng OS&Y với đầu bích ANSI 125/150
    Van được phê duyệt bơi UL/FM
    Thông số kỹ thuật - Spec. Áp suất -Pressure Kích cở / Size Bu lông / Bolt Mã hàng / Code
    Inch DN Psi L H min H max D
    2 50 300 178 420 482 165 4 x 3/4" E001050
    2 1/2 65 300 190 435 505 185 4 x 3/4" E001065
    3 80 300 203 500 584 200 4 x 3/4" E001080
    4 100 300 229 580 687 220 8 x 3/4" E001100
    6 150 300 267 770 931 285 8 x 7/8" E001150
    8 200 300 292 930 1136 340 8 x 7/8" E001200
    10 250 300 330 1125 1383 405 12 x 1" E001250
    12 300 300 356 1295 1604 460 12 x 1" E001300

     


    2. Van cổng OS&Y với đầu bích DIN PN16

    1. Giới thiệu sản phẩm

    Van cổng OS&Y (Rising Stem Resilient-Seated) áp suất 300 PSI được thiết kế làm van điều khiển chính trong hệ thống sprinkler tự động chữa cháy. Van có bích EN 1092-2, đầu kết nối mặt phẳng, giúp lắp đặt và bảo trì dễ dàng. Van cổng OS&Y được khuyến nghị khi cần đóng/mở chắc chắncó chỉ báo trực quan nhanh về trạng thái mở/đóng. Van này còn được trang bị trục đã rãnh sẵn để lắp đặt công tắc chống can thiệp (tamper switch).

    2. Tính năng và ứng dụng sản phẩm

    • Đạt hoặc vượt tiêu chuẩn EN1171

    • Đường dẫn nước hoàn toàn (Full Waterway)

    • Gói đệm điều chỉnh được (Adjustable Packing)

    • Nêm gang dẻo, bọc EPDM (Ductile Iron Wedge, EPDM Encapsulated)

    • Chiều dài mặt bích theo EN 1171 (Face to Face Dimensions to EN 1171)

    • Khoan bích theo EN 1092-2 (Flange Drilling to EN 1092-2)

    • Được FM chứng nhận, áp suất 300 PSI (FM Approved 300PSI Rating)

    • Lớp phủ Epoxy liên kết nhiệt, cả trong và ngoài theo tiêu chuẩn AWWA C550 (Fusion Bonded Epoxy Coated Interior and Exterior to AWWA C550 Standard)

    3. Các bộ phận chính

    Thân van Gang dẻo theo tiêu chuẩn a536, 65-45-12 Nắp van Gang dẻo theo tiêu chuẩn a536, 65-45-12
    Đĩa nêm đàn hồi  Gang dẻo theo tiêu chuẩn a536, 65-45-12 + epd                Trục van SS304 / SS316 / SS420 / SS431
    Giá đỡ                                            Gang dẻo theo tiêu chuẩn a536, 65-45-12                                Tay quay                                         Gang dẻo theo tiêu chuẩn a536, 65-45-12                        
    Body Ductile iron as A536, 65-45-12 Bonnet Ductile iron as A536, 65-45-12
    Resilient wedge disc Ductile iron as A536, 65-45-12 + EPDM Stem SS304 / SS316 / SS420 / SS431
    Yoke Ductile iron as A536, 65-45-12 Hand wheel Ductile iron as A536, 65-45-12
    222 拷贝.png
    Bảng vẽ Van cổng OS&Y với đầu bích DIN PN16
    Van cổng OS&Y với đầu bích DIN PN16
    Được phê duyệt bởi UL/FM


     

     

    Spec Pressure Size Bolts Code
    Inch DN Psi L H min H max D
    2 50 300 150 420 482 165 4 x 3/4"

    E002050

    2 1/2 65 300 170 435 505 185 4 x 3/4" E002065
    3 80 300 180 500 584 200 4 x 3/4" E002080
    4 100 300 190 580 687 220 8 x 3/4" E002100
    6 150 300 210 770 931 285 8 x 7/8" E002150
    8 200 300 230 930 1136 340 8 x 7/8" E002200
    10 250 300 250 1125 1383 405 12 x 1" E002250
    12 300 300 270 1295 1604 460 12 x 1" E002300

     


     

    3. Van Cổng OS&Y với Mặt Bích BS PN16

    1. Giới Thiệu Sản Phẩm

    Van cổng OS&Y trục nổi, đệm đàn hồi 300PSI được thiết kế làm van điều khiển chính trong hệ thống sprinkler chữa cháy tự động.
    Van có mặt bích EN 1092-2, kết nối mặt phẳng, giúp lắp đặt và tiếp cận dễ dàng.
    Van cổng OS&Y (Outside Screw & Yoke – Trục ngoài và giá đỡ) được khuyến nghị khi cần đóng kín hoàn toàncó chỉ thị trực quan nhanh về trạng thái mở/đóng.
    Van này được trang bị trục có rãnh sẵn để lắp công tắc chống mở trái phép (tamper switch).


    2. Đặc Điểm và Ứng Dụng

    • Đường dẫn nước toàn bộ (Full Waterway)

    • Đệm đóng điều chỉnh được (Adjustable Packing)

    • Nêm gang dẻo, bọc EPDM (Ductile Iron Wedge, EPDM Encapsulated)

    • Kích thước mặt đối mặt theo BS 5163 (Face to Face Dimensions to BS 5163)

    • Khoan mặt bích theo EN 1092-2 (Flange Drilling to EN 1092-2)

    • Chứng nhận FM, áp suất 300PSI (FM Approved 300PSI Rating)

    • Lớp phủ epoxy liên kết nóng trong và ngoài theo tiêu chuẩn AWWA C550 (Fusion Bonded Epoxy Coated Interior and Exterior to AWWA C550 Standard)


    3. Các Bộ Phận Chính

    Thành phần Vật liệu
    Thân (Body) Gang cầu theo A536, 65-45-12
    Nắp (Bonnet) Gang cầu theo A536, 65-45-12
    Đĩa cánh nêm đàn hồi (Resilient wedge disc) Gang cầu theo A536, 65-45-12 + EPDM
    Trục (Stem) SS304 / SS316 / SS420 / SS431
    Giá đở (Yoke) Gang cầu theo A536, 65-45-12
    Tay quay (Hand wheel) Gang cầu theo A536, 65-45-12
    Bảng vẽ Van Cổng OS&Y với Mặt Bích BS PN16
    Van Cổng OS&Y với Mặt Bích BS PN16

     

     

     

    Spec Pressure Size Bolts Code
    Inch DN Psi L H min H max D
    2 50 300 178 420 482 165 4 x 3/4" F301050
    2 1/2 65 300 190 435 505 185 4 x 3/4" F301065
    3 80 300 203 500 584 200 4 x 3/4" F301080
    4 100 300 229 580 687 220 8 x 3/4" F301100
    6 150 300 267 770 931 285 8 x 7/8" F301150
    8 200 300 292 930 1136 340 8 x 7/8" F301200
    10 250 300 330 1125 1383 405 12 x 1" F301250
    12 300 300 356 1295 1604 460 12 x 1" F301300

     


     

    4. Van Cổng OS&Y với Đầu Rãnh (Grooved End)

    1. Giới thiệu sản phẩm

    Van cổng OS&Y (Rising Stem Resilient-Seated) 300PSI được thiết kế làm van điều khiển chính trong hệ thống sprinkler chữa cháy tự động. Van cổng này có mặt bích tiêu chuẩn EN 1092-2, kết nối mặt phẳng, thuận tiện cho việc lắp đặt và tiếp cận.
    Van cổng OS&Y (Outside Screw & Yoke) được khuyến nghị sử dụng khi cần đóng kín hoàn toàn và có chỉ báo nhanh trạng thái mở/đóng bằng mắt thường. Van này có trục được rãnh sẵn để lắp công tắc chống can thiệp (tamper switch).

    2. Tính năng và ứng dụng

    • Đường dẫn nước toàn phần (Full Waterway)

    • Chỉnh được đóng gói (Adjustable Packing)

    • Cánh nêm gang cầu, bọc EPDM (Ductile Iron Wedge, EPDM Encapsulated)

    • Chiều dài mặt đối mặt theo tiêu chuẩn BS 5163 (Face to Face Dimensions)

    • Đầu rãnh theo tiêu chuẩn AWWA C606 (Grooved)

    • Đạt chứng nhận FM, áp suất làm việc 350PSI (FM Approved 350PSI Rating)

    • Lớp phủ Epoxy liên kết nhiệt (Fusion Bonded Epoxy) cả trong và ngoài theo tiêu chuẩn AWWA C550

    3. Các bộ phận chính

    Thành phần Vật liệu
    Thân (Body) Gang cầu theo A536, 65-45-12
    Nắp (Bonnet) Gang cầu theo A536, 65-45-12
    Đĩa cánh nêm đàn hồi (Resilient wedge disc) Gang cầu theo A536, 65-45-12 + EPDM
    Trục (Stem) SS304 / SS316 / SS420 / SS431
    Yoke Gang cầu theo A536, 65-45-12
    Tay quay (Hand wheel) Gang cầu theo A536, 65-45-12
    Bảng vẽ Van Cổng OS&Y với Đầu Rãnh (Grooved End)
    Van Cổng OS&Y với Đầu Rãnh (Grooved End)
    Được phê duyệt bởi UL


     

     

    Size Dimension (mm) Ref. No.
    Inch DN mm L H min H max
    2" 50 60.3 178 420 482 E003060
    2-1/2" 65 73 190 435 505 E003073
    3OD 65 76.1 190 435 505 E003076
    3" 80 88.9 203 500 584 E003089
    4" 100 114.3 229 580 687 E003114
    6.5OD 150 165.1 267 770 931 E003165
    6" 150 168.3 267 770 931 E003168
    8" 200 219.1 292 930 1136 E003219
    10" 250 273 330 1125 1383 E003273
    12" 300 323.8 356 1295 1604 E003324

     


     

    5. Van Cổng NRS với Mặt Bích ANSI 125/150

    1. Giới thiệu sản phẩm

    Van cổng NRS (Non-Rising Stem Resilient-Seated) 300PSI được thiết kế làm van điều khiển chính trong hệ thống sprinkler chữa cháy tự động. Van cổng này có mặt bích Class 125, kết nối mặt phẳng, thuận tiện cho việc lắp đặt và tiếp cận.
    Van cổng NRS được khuyến nghị sử dụng khi cần đóng kín hoàn toàn và có chỉ báo nhanh trạng thái mở/đóng bằng mắt thường. Van này có trục được rãnh sẵn để lắp công tắc chống can thiệp (tamper switch).

    2. Tính năng và ứng dụng

    • Đáp ứng hoặc vượt tiêu chuẩn AWWA C515

    • Đường dẫn nước toàn phần (Full Waterway)

    • Chỉnh được đóng gói (Adjustable Packing)

    • Cánh nêm gang cầu, bọc EPDM (Ductile Iron Wedge, EPDM Encapsulated)

    • Chiều dài mặt đối mặt theo ANSI/ASME B16.10 (Face to Face Dimensions)

    • Khoan mặt bích theo ANSI B16.1, Class 125 (Flange Drilling)

    • Đạt chứng nhận FM, áp suất làm việc 300PSI (FM Approved 300PSI Rating)

    • Lớp phủ Epoxy liên kết nhiệt (Fusion Bonded Epoxy) cả trong và ngoài theo tiêu chuẩn AWWA C550

    3. Các bộ phận chính

    Thành phần

    Vật liệu

    Thân (Body)

    Gang cầu theo A536, 65-45-12

    Nắp (Bonnet)

    Gang cầu theo A536, 65-45-12

    Đĩa cánh nêm đàn hồi (Resilient wedge disc)

    Gang cầu theo A536, 65-45-12 + EPDM

    Trục (Stem)

    SS304 / SS316 / SS420 / SS431

    Vòng đệm chịu lực (Thrust washer)

    Đồng theo B124 C37000

    Mặt bích trụ (Post Flange)

    Gang cầu theo A536, 65-45-12

    Bảng vẽ Van Cổng ty chìm với Mặt Bích ANSI 125/150

     

    Van Cổng ty chìm với Mặt Bích ANSI 125/150


     

     

     


     

    Size

    Dimension(mm)

    Bolting
    (n×φd)

    Ref. No.

    lnch

    DN

    mm

    L

    H

    D

    4"

    100

    114.3

    229

    395

    229

    8×3/4"

    C502100

    5"

    125

    141.3

    254

    432

    254

    8×7/8"

    C502125

    6"

    150

    168.3

    267

    475

    279

    8×7/8"

    C502150

    8"

    200

    219.1

    292

    585

    343

    8×7/8"

    C502200

    10"

    250

    273.0

    330

    656

    406

    12×1"

    C502250

    12"

    300

    323.8

    356

    751

    483

    12×1"

    C502300

     


     

    6. Van Cổng NRS với Mặt Bích ANSI 125/150

    1. Giới thiệu sản phẩm

    Van cổng NRS (Non-Rising Stem Resilient-Seated) 300PSI được thiết kế làm van điều khiển chính trong hệ thống sprinkler chữa cháy tự động. Van cổng này có mặt bích Class 125, kết nối mặt phẳng, thuận tiện cho việc lắp đặt và tiếp cận.
    Van cổng NRS được khuyến nghị sử dụng khi cần đóng kín hoàn toàn và có chỉ báo nhanh trạng thái mở/đóng bằng mắt thường.

    2. Tính năng và ứng dụng

    • Đáp ứng hoặc vượt tiêu chuẩn AWWA C515

    • Đường dẫn nước toàn phần (Full Waterway)

    • Chỉnh được đóng gói (Adjustable Packing)

    • Cánh nêm gang cầu, bọc EPDM (Ductile Iron Wedge, EPDM Encapsulated)

    • Chiều dài mặt đối mặt theo ANSI/ASME B16.10 (Face to Face Dimensions)

    • Khoan mặt bích theo ANSI B16.1, Class 125 (Flange Drilling)

    • Đạt chứng nhận FM, áp suất làm việc 300PSI (FM Approved 300PSI Rating)

    • Lớp phủ Epoxy liên kết nhiệt (Fusion Bonded Epoxy) cả trong và ngoài theo tiêu chuẩn AWWA C550

    3. Các bộ phận chính

    Thành phần

    Vật liệu

    Thân (Body)

    Gang cầu theo A536, 65-45-12

    Nắp (Bonnet)

    Gang cầu theo A536, 65-45-12

    Đĩa cánh nêm đàn hồi (Resilient wedge disc)

    Gang cầu theo A536, 65-45-12 + EPDM

    Trục (Stem)

    SS304 / SS316 / SS420 / SS431

    Yoke

    Gang cầu theo A536, 65-45-12

    Tay quay (Hand wheel)

    Gang cầu theo A536, 65-45-12

    Van Cổng ty chìm PCCC với Mặt Bích ANSI 125/150
    Bảng vẽ Van Cổng ty chìm PCCC với Mặt Bích ANSI 125/150
    02 2.png
    UL Approved


     

     


     

     


     

    Size

    Pressure

    Dimension (mm)

    Bolts

    Ref. No

    Inch

    DN

    Psi

    L

    H

    D

    2

    50

    300

    178

    254

    165

    4 x 3/4"

    E004050

    2 1/2

    65

    300

    190

    275

    185

    4 x 3/4"

    E004065

    3

    80

    300

    203

    301

    200

    4 x 3/4"

    E004080

    4

    100

    300

    229

    355

    220

    8 x 7/8"

    E004100

    6

    150

    300

    267

    448

    285

    8 x 7/8"

    E004150

    8

    200

    300

    292

    548

    340

    8 x 3/4"

    E004200

    10

    300

    300

    330

    626

    405

    12 x 1"

    E004250

    12

    300

    300

    356

    722

    460

    12 x 1"

    E004300

     


     

    7. Van Cổng NRS với Đầu Rãnh (Groove End)

    1. Giới thiệu sản phẩm

    Van cổng NRS 300PSI được thiết kế làm van điều khiển chính trong hệ thống sprinkler chữa cháy tự động. Van cổng này có mặt bích Class 125, kết nối mặt phẳng, thuận tiện cho việc lắp đặt và tiếp cận.
    Van cổng OS&Y (Outside Screw & Yoke) được khuyến nghị khi cần đóng kín hoàn toàn và có chỉ báo nhanh trạng thái mở/đóng bằng mắt thường. Van này có trục được rãnh sẵn để lắp công tắc chống can thiệp (tamper switch). Van đã được chứng nhận FM và đang trong quá trình xin chứng nhận UL.

    2. Tính năng và ứng dụng

    • Đáp ứng hoặc vượt tiêu chuẩn AWWA C515

    • Thiết kế đường dẫn nước toàn phần (Full Waterway Design)

    • Chỉnh được đóng gói (Adjustable Packing)

    • Cánh nêm gang cầu, bọc EPDM (Ductile Iron Wedge, EPDM Encapsulated)

    • Chiều dài mặt đối mặt theo ANSI/ASME B16.10 (Face-to-Face Dimensions)

    • Khoan mặt bích theo ANSI B16.1, Class 125 (Flange Drilling)

    • Đạt chứng nhận FM, áp suất làm việc 350 PSI (FM Approved, 350 PSI Rating)

    • Lớp phủ Epoxy liên kết nhiệt (Fusion Bonded Epoxy Coating) cả trong và ngoài theo tiêu chuẩn AWWA C550

    3. Các bộ phận chính

    Thành phần

    Vật liệu

    Thân (Body)

    Gang cầu theo A536, 65-45-12

    Nắp (Bonnet)

    Gang cầu theo A536, 65-45-12

    Đĩa cánh nêm đàn hồi (Resilient wedge disc)

    Gang cầu theo A536, 65-45-12 + EPDM

    Trục (Stem)

    SS304 / SS316 / SS420 / SS431

    Yoke

    Gang cầu theo A536, 65-45-12

    Tay quay (Hand wheel)

    Gang cầu theo A536, 65-45-12

    NRS Gate Vavle with groove end
    Bảng vẽ Van Cổng ty chìm với Đầu Rãnh (Groove End)

    Size

    Dimension (mm)

    Ref. No.

    Inch

    DN

    mm

    L

    H

    2"

    50

    60.3

    178

    254

    G103060

    2-1/2"

    65

    73

    190

    275

    G103073

    3OD"

    65

    76.1

    190

    275

    G103076

    3"

    80

    88.9

    203

    301

    G103089

    4"

    100

    114.3

    229

    355

    G103114

    6.5OD"

    150

    165.1

    267

    448

    G103165

    6"

    150

    168.3

    267

    448

    G103168

    8"

    200

    219.1

    292

    548

    G103219

    10"

    250

    273

    330

    626

    G103273

    12"

    300

    323.8

    356

    722

    G103324

     



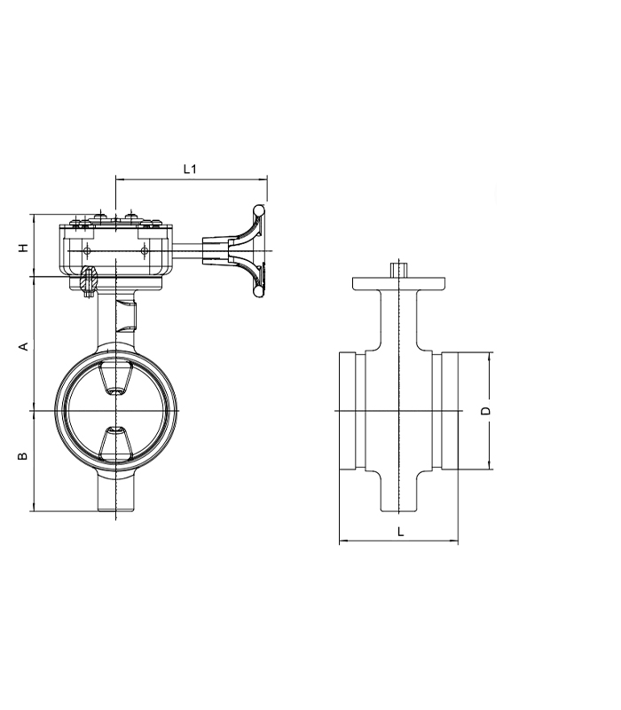
    Van Bướm PCCC (Fire Protection Butterfly Valve)

    Van bướm Drifco thường được sử dụng trong hệ thống chữa cháy nhờ thiết kế gọn nhẹ và vận hành dễ dàng.

    Tính năng chính:

    • Lắp đặt nhanh chóng (Quick installation)

    • Giải pháp tiết kiệm chi phí (Cost-effective solution)

    • Tùy chọn tích hợp công tắc giám sát (Optional supervisory switch integration)


    8. Van Bướm tín hiệu kiểu nối Đầu Rãnh (Grooved Indicating Butterfly Valve)

    1. Giới thiệu sản phẩm

    Chúng tôi cung cấp van bướm đầu rãnh (Grooved Butterfly Valve). Đây là loại van bướm có chỉ thị vị trí, được thiết kế sử dụng trong hệ thống chữa cháy khi cần quan sát trạng thái van mở/đóng bằng mắt thường. Van được dùng làm van hệ thống, van phân đoạn hoặc van điều khiển nước bơm.
    Van bướm có rãnh theo tiêu chuẩn AWWA C606, kết nối đầu rãnh giúp lắp đặt dễ dàng và thuận tiện tiếp cận. Chúng tôi hy vọng trở thành đối tác lâu dài của bạn tại Trung Quốc.

    2. Tính năng và ứng dụng

    • Phù hợp lắp đặt cả ngoài trời và trong nhà (Suitable for both outdoor and indoor installation)

    • Chỉ thị vị trí kiểu cờ (Flag-type position indicator) dễ quan sát trạng thái van

    • Tích hợp công tắc giám sát (Integrated supervisory switch)

    • Chiều dài mặt đối mặt theo MSS SP-67 (Face-to-face dimensions)

    • Kích thước đầu rãnh tuân theo AWWA C606 (Grooved end dimensions)

    • Áp suất làm việc thiết kế: 300 PSI (Designed working pressure)

    • Lớp phủ Epoxy liên kết nhiệt cả trong và ngoài theo tiêu chuẩn AWWA C550 (Fusion-bonded epoxy coating, interior and exterior)

    3. Các bộ phận chính

    Thành phần

    Vật liệu

    Thân (Body)

    Gang cầu theo A536, 65-45-12

    Trục (Shaft)

    SS431

    Đĩa (Disc)

    Gang cầu + EPDM

    Hộp số (Gear Box)

    Gang cầu theo A536, 65-45-12

    Bánh vít (Worm)

    Gang cầu theo A536, 65-45-12

    Tay quay (Hand wheel)

    Gang cầu theo A536, 65-45-12

     

    Bảng vẽ Van Bướm tín hiệu kiểu nối Đầu Rãnh
    Van Bướm tín hiệu kiểu nối rãnh (Grooved Indicating Butterfly Valve)
    Được phê duyệt FM

     

     

    Spec

    Size(mm)

    Code

    Inch

    DN

    D/mm

    L1

    H1

    H

    L

    2"

    50

    60.3

    148

    60

    199

    81

    201060

    2-1/2"

    65

    73

    148

    69

    213

    97

    201073

     

    65

    76.1

    148

    69

    213

    97

    201076

    3"

    80

    88.9

    148

    80

    219

    97

    201089

    4"

    100

    114.3

    148

    95

    237

    116

    201114

     

    125

    139.7

    148

    111

    252

    148

    201140

    5"

    125

    141.3

    148

    111

    252

    148

    201141

     

    150

    165.1

    148

    125

    272

    148

    201165

    6"

    150

    168.3

    148

    125

    272

    148

    201168

     

    200

    216.3

    148

    157

    302

    153

    201216

    8"

    200

    219.1

    148

    157

    302

    153

    201219

     


     

    9. Van Bướm Đầu Rãnh Vận Hành Bằng Hộp Số (Grooved Butterfly Valve Gear Operated)

    1. Giới thiệu sản phẩm

    Chúng tôi cung cấp van bướm đầu rãnh (Grooved Butterfly Valve). Đây là loại van bướm vận hành bằng hộp số, được thiết kế sử dụng trong hệ thống chữa cháy khi cần quan sát trạng thái van mở/đóng bằng mắt thường. Van được dùng làm van hệ thống, van phân đoạn hoặc van điều khiển nước bơm.
    Van bướm có rãnh theo tiêu chuẩn AWWA C606, kết nối đầu rãnh giúp lắp đặt dễ dàng và thuận tiện tiếp cận. Chúng tôi hy vọng trở thành đối tác lâu dài của bạn tại Trung Quốc.

    2. Tính năng và ứng dụng

    • Phù hợp lắp đặt cả ngoài trời và trong nhà (Suitable for both outdoor and indoor use)

    • Vận hành bằng cơ cấu hộp số (Gear-operated mechanism)

    • Chiều dài mặt đối mặt theo MSS SP-67 (Face-to-face dimensions)

    • Kích thước đầu rãnh tuân theo AWWA C606 (Grooved end dimensions)

    • Áp suất làm việc thiết kế: 300 PSI (Designed working pressure)

    • Lớp phủ Epoxy liên kết nhiệt cả trong và ngoài theo tiêu chuẩn AWWA C550 (Fusion-bonded epoxy coating, interior and exterior)

    3. Các bộ phận chính

    Thành phần

    Vật liệu

    Thân (Body)

    Gang cầu theo A536, 65-45-12

    Trục (Shaft)

    SS431

    Đĩa (Disc)

    Gang cầu + EPDM

    Hộp số (Gear Box)

    Gang cầu theo A536, 65-45-12

    Bánh vít (Worm)

    Gang cầu theo A536, 65-45-12

    Tay quay (Hand wheel)

    Gang cầu theo A536, 65-45-12

    Van Bướm Đầu Rãnh Vận Hành Bằng Hộp Số (Grooved Butterfly Valve Gear Operated)

    Spec

    Size(mm)

    Code

    Inch

    DN

    mm

    A

    B

    H

    L

    T

    2"

    50

    60.3

    89

    65

    113

    202

    81

    G101060

    2-1/2"

    65

    73

    102

    71

    113

    202

    97

    G101073

     

    65

    76.1

    102

    71

    113

    202

    97

    G101076

    3"

    80

    88.9

    109

    81

    113

    202

    97

    G101089

    4"

    100

    114.3

    128

    95

    113

    202

    116

    G101114

     

    125

    139.7

    141

    111

    113

    202

    148

    G101140

    5"

    125

    141.3

    141

    111

    113

    202

    148

    G101141

     

    150

    165.1

    153

    133

    113

    202

    148

    G101165

    6"

    150

    168.3

    153

    133

    113

    202

    148

    G101168

     

    200

    216.3

    184

    164

    113

    260

    153

    G101216

    8"

    200

    219.1

    184

    164

    113

    260

    153

    G101219

     


     

    10. Van Bướm Kiểu Wafer Có Chỉ Thị (Wafer Indicating Butterfly Valve)

    1. Giới thiệu sản phẩm

    Chúng tôi cung cấp van bướm kiểu wafer (Wafer Butterfly Valve). Đây là loại van bướm có chỉ thị vị trí, được thiết kế sử dụng trong hệ thống chữa cháy khi cần quan sát trạng thái van mở/đóng bằng mắt thường. Van được dùng làm van hệ thống, van phân đoạn hoặc van điều khiển nước bơm.
    Van bướm có rãnh theo tiêu chuẩn AWWA C606, kết nối đầu rãnh giúp lắp đặt dễ dàng và thuận tiện tiếp cận. Chúng tôi hy vọng trở thành đối tác lâu dài của bạn tại Trung Quốc.

    2. Tính năng và ứng dụng

    • Phù hợp lắp đặt cả ngoài trời và trong nhà (Outdoor and Indoor Rated)

    • Chỉ thị vị trí kiểu cờ (Flag Type Position Indicator)

    • Tích hợp công tắc giám sát (Built-in Supervisory Switch)

    • Chiều dài mặt đối mặt theo MSS SP-67 (Face to Face Dimensions)

    • Phù hợp với PN10, PN16 và Class 125/150

    • Áp suất làm việc thiết kế: 300 PSI (Working pressure designed to 300PSI)

    • Lớp phủ Epoxy liên kết nhiệt cả trong và ngoài theo tiêu chuẩn AWWA C550 (Fusion Bonded Epoxy Coated Interior and Exterior)

    3. Các bộ phận chính

    Thành phần

    Vật liệu

    Thân (Body)

    Gang cầu theo A536, 65-45-12

    Trục (Shaft)

    SS431

    Đĩa (Disc)

    Gang cầu + EPDM

    Hộp số (Gear Box)

    Gang cầu theo A536, 65-45-12

    Bánh vít (Worm)

    Gang cầu theo A536, 65-45-12

    Tay quay (Hand Wheel)

    Gang cầu theo A536, 65-45-12

    Wafer Indicating Butterfly Valve

    Size

    A

    B

    E

    F

    M

    N

    2

    230/9.00

    74/2.91

    43/1.69

    190/7.48

    150/5.90

    228/8.98

    2.5

    240/9.45

    85/3.35

    46/1.81

    190/7.48

    150/5.90

    228/8.98

    3

    250/9.85

    95/3.75

    46/1.81

    190/7.48

    150/5.90

    228/8.98

    4

    265/10.45

    115/4.55

    52/2.06

    190/7.48

    150/5.90

    228/8.98

    5

    280/11.00

    130/5.10

    56/2.19

    215/8.46

    150/5.90

    228/8.98

    6

    295/11.60

    145/5.70

    56/2.19

    215/8.46

    150/5.90

    228/8.98

    8

    360/14.15

    170/6.70

    60/2.38

    280/11.02

    200/7.85

    303/11.93

    10

    410/16.15

    210/8.30

    68/2.70

    280/11.02

    200/7.85

    303/11.93

    12

    435/17.10

    240/9.50

    79/3.13

    280/11.02

    200/7.85

    303/11.93

     


     

    11. Van Bướm Đầu Rãnh Vận Hành Bằng Tay Gạt (Grooved Butterfly Valve with Lever)

    1. Giới thiệu sản phẩm

    Chúng tôi cung cấp van bướm đầu rãnh (Grooved Butterfly Valve). Đây là loại van bướm vận hành bằng tay gạt, được thiết kế sử dụng trong hệ thống chữa cháy khi cần quan sát trạng thái van mở/đóng bằng mắt thường. Van được dùng làm van hệ thống, van phân đoạn hoặc van điều khiển nước bơm.
    Van bướm có rãnh theo tiêu chuẩn AWWA C606, kết nối đầu rãnh giúp lắp đặt dễ dàng và thuận tiện tiếp cận. Chúng tôi hy vọng trở thành đối tác lâu dài của bạn tại Trung Quốc.

    2. Tính năng và ứng dụng

    • Phù hợp lắp đặt cả ngoài trời và trong nhà (Suitable for outdoor and indoor installation)

    • Vận hành bằng tay gạt (Lever type operation)

    • Chiều dài mặt đối mặt theo MSS SP-67 (Face-to-face dimensions)

    • Kích thước đầu rãnh tuân theo AWWA C606 (Grooved end dimensions)

    • Áp suất làm việc thiết kế: 300 PSI (Designed working pressure)

    • Lớp phủ Epoxy liên kết nhiệt cả trong và ngoài theo tiêu chuẩn AWWA C550 (Fusion-bonded epoxy coating, interior and exterior)

    3. Các bộ phận chính

    Thành phần

    Vật liệu

    Thân (Body)

    Gang cầu theo A536, 65-45-12

    Trục (Shaft)

    SS431

    Đĩa (Disc)

    Gang cầu + EPDM

    Tay gạt (Lever)

    Nhôm hoặc Gang cầu

     

    Bảng vẽ Van Bướm nối rãnh tay gạt 
    Van Bướm Đầu Rãnh Vận Hành Bằng Tay Gạt (Grooved Butterfly Valve with Lever)

     

    Spec

    Size(mm)

    Code

    Inch

    DN

    mm

    A

    B

    H

    T

    2"

    50

    60.3

    89

    65

    39

    81

    B101060

    2-1/2"

    65

    73

    102

    71

    39

    97

    B101073

     

    65

    76.1

    102

    71

    39

    97

    B101076

    3"

    80

    88.9

    109

    81

    39

    97

    B101089

    4"

    100

    114.3

    128

    95

    39

    116

    B101114

     

    125

    139.7

    141

    111

    39

    148

    B101140

    5"

    125

    141.3

    141

    111

    39

    148

    B101141

     

    150

    165.1

    153

    133

    39

    148

    B101165

    6"

    150

    168.3

    153

    133

    39

    148

    B101168

     

    200

    216.3

    184

    164

    39

    153

    B101216

    8"

    200

    219.1

    184

    164

    39

    153

    B101219

     


     

    Van Một Chiều PCCC (Fire Protection Check Valve)

    Van một chiều Drifco được thiết kế để ngăn dòng chảy ngược trong hệ thống cấp nước chữa cháy.

    Tính năng:

    • Cấu trúc chắc chắn và bền bỉ (Strong and durable structure)

    • Tổn thất áp suất thấp (Low pressure loss)

    • Vận hành tự động (Automatic operation)


    12. Van Một Chiều Lá lật đệm đàn hồi 350PSI (350PSI Resilient-Seated Swing Check Valve)

    Chúng tôi cung cấp van một chiều lá lật đệm đàn hồi 350PSI (Resilient-Seated Swing Check Valve, Đầu Rãnh – Grooved End). Van một chiều này có tổn thất ma sát thấp, được thiết kế sử dụng trong hệ thống chữa cháy, cho phép dòng chảy theo một chiều duy nhất.

    Ứng dụng điển hình:

    • Kết nối giữa nguồn nước công cộng và hệ thống chữa cháy riêng

    • Tại đầu ra của bơm chữa cháy

    • Kết nối bồn nước trọng lực

    • Kết nối với xe bơm cứu hỏa

    Chúng tôi hy vọng trở thành đối tác lâu dài của bạn tại Trung Quốc.

    1. Thông số kỹ thuật chính (Product Parameter / Specification)

    Thành phần

    Vật liệu

    Thân (Body)

    Gang cầu GGG65-45-12

    Trục bản lề (Hinge Pin)

    SS304

    Đĩa (Disc) 2"-6"

    SS304 + EPDM

    Đĩa (Disc) 8"-10"

    Gang cầu GGG65-45-12 + EPDM

    Vòng đệm (Seat Ring)

    SS304 phủ thiếc (Coated with Tin)

    Chốt (Plug)

    SS201 / SS304

    Van Một Chiều Lá lật đệm đàn hồi 350PSI (350PSI Resilient-Seated Swing Check Valve)

    Size

    Length/mm

    Ref.No.

    Inch

    MM

    A

    B

    C

    E

    F

    G

    J

    K

    L

    M

    N

    2"

    60.3

    202

    113

    68

    63

    56

    44

    108

    40

    40

    36

    55

    E005060

    21/2"

    73

    204

    124

    68

    70

    51

    44

    114

    40

    47

    44

    59

    E005073

    3OD

    76.1

    204

    124

    68

    70

    51

    44

    114

    40

    47

    44

    59

    E005076

    3"

    88.9

    212

    130

    81

    72

    63

    44

    121

    41

    53

    51

    63

    E005089

    4"

    114.3

    234

    150

    91

    84

    69

    49

    121

    44

    62

    61

    73

    E005114

    5.5OD

    139.7

    306

    180

    146

    100

    103

    45

    192

    47

    78

    77

    87

    E005140

    5"

    141.3

    306

    180

    146

    100

    103

    45

    192

    47

    78

    77

    87

    E005141

    6.5OD

    165.1

    319

    205

    146

    112

    116

    45

    205

    43

    90

    93

    100

    E005165

    6"

    168.3

    319

    205

    146

    112

    116

    45

    205

    43

    90

    93

    100

    E005168

    JIS8"

    216.3

    366

    230

    160

    137

    121

    53

    244

    48

    114

    118

    126

    E005216

    8"

    219.1

    366

    230

    160

    137

    121

    53

    244

    48

    114

    118

    126

    E005219

    10"

    273

    432

    312

    192

    162

    163

    58

    306

    57

    144

    146

    155

    E005273

     


     

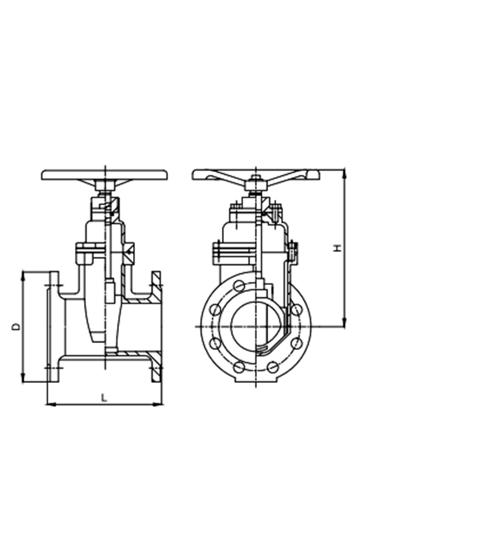
    Van Cổng Dân Dụng / Cấp Nước (Plumbing Gate Valve)

    Van cổng Drifco được thiết kế cho hệ thống cấp nước dân dụng, thương mại và công nghiệp, cung cấp khả năng điều khiển dòng chảy nước đáng tin cậy.

    Ưu điểm:

    • Hiệu suất đóng kín vượt trội, ngăn rò rỉ (Superior sealing performance to prevent leaks)

    • Lưu lượng cao, phân phối nước hiệu quả (High flow capacity for efficient water distribution)

    • Phù hợp với nhiều đường kính ống khác nhau (Suitable for a wide range of pipe diameters)


    1. Van Cổng ty chìm NRS với Mặt Bích PN16 (NRS Gate Valve With Flange End PN16)

    1. Giới thiệu sản phẩm

    Van cổng NRS (Non-Rising Stem Resilient-Seated) 300PSI được thiết kế làm van điều khiển chính trong hệ thống sprinkler chữa cháy tự động. Van cổng này có mặt bích EN1092-2, kết nối mặt phẳng, thuận tiện cho việc lắp đặt và tiếp cận.

    2. Tính năng và ứng dụng

    • Đáp ứng hoặc vượt tiêu chuẩn PN16 (Meets or exceeds PN16 standard)

    • Thiết kế đường dẫn nước toàn phần, không cản trở dòng chảy (Full waterway design for unobstructed flow)

    • Chỉnh được đóng gói (Adjustable packing)

    • Cánh nêm gang cầu, bọc EPDM (Ductile iron wedge, EPDM encapsulated)

    • Chiều dài mặt đối mặt theo BS5163 (Face-to-face dimensions per BS5163)

    • Khoan mặt bích theo EN1092-2 (Flange drilling in accordance with EN1092-2)

    • Đạt chứng nhận FM, áp suất làm việc 300 PSI (FM approved, 300 PSI rating)

    • Lớp phủ Epoxy liên kết nhiệt cả trong và ngoài theo AWWA C550 (Fusion-bonded epoxy coating, interior and exterior)

    3. Các bộ phận chính

    Thành phần

    Vật liệu

    Thân (Body)

    Gang cầu theo A536, 65-45-12

    Nắp (Bonnet)

    Gang cầu theo A536, 65-45-12

    Đĩa cánh nêm đàn hồi (Resilient wedge disc)

    Gang cầu theo A536, 65-45-12 + EPDM

    Trục (Stem)

    SS304 / SS316 / SS420 / SS431

    Vòng đệm chịu lực (Thrust washer)

    Đồng theo B124 C37000

    Tay quay (Hand wheel)

    Gang cầu theo A536, 65-45-12

    Van Cổng ty chìm với Mặt Bích PN16 (NRS Gate Valve With Flange End PN16)
    Bảng vẽ Van Cổng ty chìm NRS Mặt Bích PN16

    Spec

    Pressure

    Size

    Bolts

    Code

    DN

    mm

    PN

    L

    H

    D

    50

    60.3

    10/16

    178

    256

    165

    4 -M16

    N201050

    65

    76.1

    10/16

    190

    256

    185

    4 -M16

    N201065

    80

    88.9

    10/16

    203

    273.5

    200

    8 -M16

    N201080

    100

    114.3

    10/16

    229

    323.5

    220

    8 -M16

    N201100

    125

    139.7

    10/16

    254

    376

    250

    8 -M16

    N201125

    150

    165.1

    10/16

    267

    423.5

    285

    8 -M20

    N201150

    200

    219.1

    16

    292

    530.5

    340

    12-M20

    N201200

    250

    273

    16

    330

    645

    400

    12-M24

    N201250

    300

    323.9

    16

    356

    725.5

    455

    12-M24

    N201300

     


     

    2. Van Cổng OS&Y Màu Xanh (OS&Y Gate Valve Blue)

    1. Giới thiệu sản phẩm

    Van cổng OS&Y (Rising Stem Resilient-Seated) 300PSI được thiết kế làm van điều khiển chính trong hệ thống sprinkler chữa cháy tự động hoặc đường ống nước. Van cổng này có mặt bích Class 125, kết nối mặt phẳng, thuận tiện cho việc lắp đặt và tiếp cận.
    Van cổng OS&Y (Outside Screw & Yoke) được khuyến nghị sử dụng khi cần đóng kín hoàn toàn và có chỉ báo nhanh trạng thái mở/đóng bằng mắt thường. Van này có trục được rãnh sẵn để lắp công tắc chống can thiệp (tamper switch).

    2. Tính năng và ứng dụng

    • Đáp ứng hoặc vượt tiêu chuẩn AWWA C515 (Meets or exceeds AWWA C515 standard)

    • Đường dẫn nước toàn phần, không cản trở dòng chảy (Full waterway for unrestricted flow)

    • Chỉnh được đóng gói để đạt độ kín chính xác (Adjustable packing for precise sealing)

    • Cánh nêm gang cầu, bọc EPDM (Ductile iron wedge, EPDM encapsulated)

    • Chiều dài mặt đối mặt theo ANSI/ASME B16.10 (Face-to-face dimensions)

    • Khoan mặt bích theo ANSI B16.1, Class 125 (Flange drilling)

    • Đạt chứng nhận FM, áp suất làm việc 300 PSI (FM approved, 300 PSI rating)

    • Lớp phủ Epoxy liên kết nhiệt cả trong và ngoài theo AWWA C550 (Fusion-bonded epoxy coating on interior and exterior)

    3. Các bộ phận chính

    Thành phần

    Vật liệu

    Thân (Body)

    Gang cầu theo A536, 65-45-12

    Nắp (Bonnet)

    Gang cầu theo A536, 65-45-12

    Đĩa cánh nêm đàn hồi (Resilient wedge disc)

    Gang cầu theo A536, 65-45-12 + EPDM

    Trục (Stem)

    SS304 / SS316 / SS420 / SS431

    Vòng đệm chịu lực (Thrust washer)

    Gang cầu theo A536, 65-45-12

    Tay quay (Hand wheel)

    Gang cầu theo A536, 65-45-12

    Van Cổng ty nổi OS&Y Màu Xanh (OS&Y Gate Valve Blue)
    Bảng vẽ Van Cổng ty nổi OS&Y

    Spec

    Pressure

    Size

    Bolts

    Code

    Inch

    DN

    Psi

    L

    H min

    H max

    D

    2

    50

    300

    178

    420

    482

    152

    4 x 3/4"

    C501050

    2 1/2

    65

    300

    190

    435

    505

    178

    4 x 3/4"

    C501065

    3

    80

    300

    203

    500

    584

    191

    4 x 3/4"

    C501080

    4

    100

    300

    229

    580

    687

    229

    8 x 3/4"

    C501100

    6

    150

    300

    267

    770

    931

    279

    8 x 7/8"

    C501150

    8

    200

    300

    292

    930

    1136

    343

    8 x 7/8"

    C501200

    10

    250

    300

    330

    1125

    1383

    406

    12 x 1"

    C501250

    12

    300

    300

    356

    1295

    1604

    483

    12 x 1"

    C501300

     


     

    3. Van Bướm Đầu Rãnh Vận Hành Bằng Tay Gạt (Grooved Butterfly Valve With Lever Handle)

    1. Giới thiệu sản phẩm

    Chúng tôi cung cấp van bướm đầu rãnh (Grooved Butterfly Valve). Đây là loại van bướm vận hành bằng tay gạt, được thiết kế sử dụng trong các hệ thống nước khi cần quan sát trạng thái van mở/đóng bằng mắt thường. Van được dùng làm van hệ thống, van phân đoạn hoặc van điều khiển nước bơm.
    Van bướm có rãnh theo tiêu chuẩn AWWA C606, kết nối đầu rãnh giúp lắp đặt dễ dàng và thuận tiện tiếp cận. Chúng tôi hy vọng trở thành đối tác lâu dài của bạn tại Trung Quốc.

    2. Tính năng và ứng dụng

    • Phù hợp lắp đặt cả ngoài trời và trong nhà (Suitable for outdoor and indoor use)

    • Vận hành bằng tay gạt để điều khiển dễ dàng (Lever-handle operation for easy control)

    • Chiều dài mặt đối mặt theo MSS SP-67 (Face-to-face dimensions)

    • Kích thước đầu rãnh tuân theo AWWA C606 (Grooved end dimensions)

    • Áp suất làm việc thiết kế: 300 PSI (Designed working pressure)

    • Lớp phủ Epoxy liên kết nhiệt cả trong và ngoài theo tiêu chuẩn AWWA C550 (Fusion-bonded epoxy coating on interior and exterior)

    3. Các bộ phận chính

    Thành phần

    Vật liệu

    Thân (Body)

    Gang cầu theo A536, 65-45-12

    Trục (Shaft)

    SS431

    Đĩa (Disc)

    Gang cầu + EPDM

    Tay quay / tay gạt (Hand Wheel)

    Gang cầu / Nhôm / Thép cacbon (Ductile Iron / Aluminum / CS)

    Van Bướm Đầu Rãnh Vận Hành Bằng Tay Gạt (Grooved Butterfly Valve With Lever Handle)
    Bảng vẽ Van Bướm nối rãnh đóng mở tay gạt 

    Spec

    Size(mm)

    Code

    Inch

    DN

    mm

    A

    B

    H

    L

    2"

    50

    60.3

    92

    60

    30

    81

    B101060

    2-1/2"

    65

    73

    106

    69

    30

    97

    B101073

     

    65

    76.1

    106

    69

    30

    97

    B101076

    3"

    80

    88.9

    112

    80

    30

    97

    B101089

    4"

    100

    114.3

    130

    95

    30

    116

    B101114

     

    125

    139.7

    152

    112

    30

    148

    B101140

    5"

    125

    141.3

    152

    112

    30

    148

    B101141

     

    150

    165.1

    165

    125

    30

    148

    B101165

    6"

    150

    168.3

    165

    125

    30

    148

    B101168

     


     

    4. Van Bướm Đầu Rãnh Vận Hành Bằng Hộp Số (Grooved Butterfly Valve With Gear Box)

    1. Giới thiệu sản phẩm

    Chúng tôi cung cấp van bướm đầu rãnh (Grooved Butterfly Valve). Đây là loại van bướm vận hành bằng hộp số, được thiết kế sử dụng trong hệ thống chữa cháy khi cần quan sát trạng thái van mở/đóng bằng mắt thường. Van được dùng làm van hệ thống, van phân đoạn hoặc van điều khiển nước bơm.
    Van bướm có rãnh theo tiêu chuẩn AWWA C606, kết nối đầu rãnh giúp lắp đặt dễ dàng và thuận tiện tiếp cận. Chúng tôi hy vọng trở thành đối tác lâu dài của bạn tại Trung Quốc.

    2. Tính năng và ứng dụng

    • Phù hợp lắp đặt cả ngoài trời và trong nhà (Outdoor and Indoor Rated)

    • Vận hành bằng hộp số (Gear operated)

    • Chiều dài mặt đối mặt theo MSS SP-67 (Face to Face Dimensions)

    • Kích thước đầu rãnh tuân theo AWWA C606 (Grooved Ends Dimensions)

    • Áp suất làm việc thiết kế: 300 PSI (Working pressure designed to 300PSI)

    • Lớp phủ Epoxy liên kết nhiệt cả trong và ngoài theo tiêu chuẩn AWWA C550 (Fusion Bonded Epoxy Coated Interior and Exterior)

    3. Các bộ phận chính

    Thành phần

    Vật liệu

    Thân (Body)

    Gang cầu theo A536, 65-45-12

    Trục (Shaft)

    SS431

    Đĩa (Disc)

    Gang cầu + EPDM

    Hộp số (Gear Box)

    Gang cầu theo A536, 65-45-12

    Bánh vít (Worm)

    Gang cầu theo A536, 65-45-12

    Tay quay (Hand Wheel)

    Gang cầu theo A536, 65-45-12

    Bảng vẽ Van Bướm nối cùm rãnh đóng mở bằng tay xoay Hộp Số
    Van Bướm Đầu Rãnh Vận Hành Bằng Hộp Số (Grooved Butterfly Valve With Gear Box)

    Spec

    Code

    Inch

    DN

    D/mm

    A

    B

    H

    L1

    L

    2"

    50

    60.3

    92

    60

    60

    136

    81

    G102060

    2-1/2"

    65

    73

    106

    69

    60

    136

    97

    G102073

     

    65

    76.1

    106

    69

    60

    136

    97

    G102076

    3"

    80

    88.9

    112

    80

    60

    136

    97

    G102089

    4"

    100

    114.3

    130

    95

    60

    136

    116

    G102114

     

    125

    139.7

    152

    111

    60

    136

    148

    G102140

    5"

    125

    141.3

    152

    111

    60

    136

    148

    G102141

     

    150

    165.1

    165

    125

    60

    136

    148

    G102165

    6"

    150

    168.3

    165

    125

    60

    136

    148

    G102168

     

    200

    216.3

    195

    157

    80

    190

    133

    G102216

    8"

    200

    219.1

    195

    157

    80

    190

    133

    G102219

     


     

    5. Van Bướm Kiểu Wafer Vận Hành Bằng Tay Gạt (Wafer Butterfly Valve With Lever Handle)

    1. Giới thiệu sản phẩm

    Chúng tôi cung cấp van bướm kiểu wafer (Wafer Butterfly Valve). Đây là loại van bướm vận hành bằng hộp số, được thiết kế sử dụng trong các hệ thống cấp nước khi cần quan sát trạng thái van mở/đóng bằng mắt thường.
    Van bướm này tuân theo tiêu chuẩn EN593, và mặt bích trên tuân theo EN ISO 5211. Chúng tôi hy vọng trở thành đối tác lâu dài của bạn tại Trung Quốc.

    2. Tính năng và ứng dụng

    • Phù hợp lắp đặt cả ngoài trời và trong nhà (Outdoor and Indoor Rated)

    • Vận hành bằng tay gạt (Lever handle operated)

    • Chiều dài mặt đối mặt theo MSS SP-67 (Face to Face Dimensions)

    • Áp suất làm việc thiết kế: 300 PSI (Working pressure designed to 300PSI)

    • Lớp phủ Epoxy liên kết nhiệt cả trong và ngoài theo tiêu chuẩn AWWA C550 (Fusion Bonded Epoxy Coated Interior and Exterior)

    3. Các bộ phận chính

    Thành phần

    Vật liệu

    Thân (Body)

    Gang cầu theo A536, 65-45-12

    Trục (Shaft)

    SS431

    Đĩa (Disc)

    Gang cầu hoặc thép không gỉ (Ductile iron or stainless steel)

    Tay quay / tay gạt (Hand Wheel)

    Gang cầu / Nhôm / Thép cacbon (Ductile Iron / Aluminum / CS)

    Bảng vẽ Van Bướm Kiểu Wafer Tay Gạt 
    Van Bướm Kiểu Wafer Vận Hành Bằng Tay Gạt (Wafer Butterfly Valve With Lever Handle)

     

     

    Size/mm

    ANSI150/PN16

    Product Code

    DN

    L

    A

    B

    H

    D

    50

    42

    141

    68

    30

    125

    W201050

    65

    44.7

    153

    75

    30

    145

    W201065

    80

    45.2

    160

    98

    30

    160

    W201080

    100

    52.1

    177

    110

    30

    180

    W201100

    125

    54.4

    190

    126

    30

    210

    W201125

    150

    55.8

    206

    141

    30

    240

    W201150

    200

    60.6

    233

    177

    30

    295

    W201200

    250

    65.6

    277

    210

    30

    355

    W201250

    300

    76.9

    319

    234

    30

    410

    W201300

     


     

    6. Van Bướm Kiểu Wafer Vận Hành Bằng Hộp Số (Wafer Butterfly Valve With Gear Box)

    1. Giới thiệu sản phẩm

    Chúng tôi cung cấp van bướm kiểu wafer (Wafer Butterfly Valve). Đây là loại van bướm vận hành bằng hộp số, được thiết kế sử dụng trong các hệ thống cấp nước khi cần quan sát trạng thái van mở/đóng bằng mắt thường.
    Van bướm này tuân theo tiêu chuẩn EN593, và mặt bích trên tuân theo EN ISO 5211. Chúng tôi hy vọng trở thành đối tác lâu dài của bạn tại Trung Quốc.

    2. Tính năng và ứng dụng

    • Phù hợp lắp đặt cả ngoài trời và trong nhà (Outdoor and Indoor Rated)

    • Vận hành bằng hộp số (Gear operated)

    • Chiều dài mặt đối mặt theo MSS SP-67 (Face to Face Dimensions)

    • Áp suất làm việc thiết kế: 300 PSI (Working pressure designed to 300PSI)

    • Lớp phủ Epoxy liên kết nhiệt cả trong và ngoài theo tiêu chuẩn AWWA C550 (Fusion Bonded Epoxy Coated Interior and Exterior)

    3. Các bộ phận chính

    Thành phần

    Vật liệu

    Thân (Body)

    Gang cầu theo A536, 65-45-12

    Trục (Shaft)

    SS431

    Đĩa (Disc)

    Gang cầu hoặc thép không gỉ (Ductile Iron or stainless steel)

    Hộp số (Gear Box)

    Gang cầu theo A536, 65-45-12

    Bánh vít (Worm)

    Gang cầu theo A536, 65-45-12

    Vòng đệm (Seat)

    EPDM hoặc NBR

    Van Bướm Kiểu Wafer Vận Hành Bằng Hộp Số (Wafer Butterfly Valve With Gear Box)
    Bảng vẽ Van Bướm Kiểu Wafer Vận Hành Bằng Hộp Số

     

     

    Size/mm

    ANSI150/PN16

    Product Code

    DN

    L

    A

    B

    H

    D

    50

    42

    141

    68

    60

    125

    W200050

    65

    44.7

    153

    75

    60

    145

    W200065

    80

    45.2

    160

    98

    60

    160

    W200080

    100

    52.1

    177

    110

    60

    180

    W200100

    125

    54.4

    190

    126

    60

    210

    W200125

    150

    55.8

    206

    141

    60

    240

    W200150

    200

    60.6

    233

    177

    80

    295

    W200200

    250

    65.6

    277

    210

    80

    355

    W200250

    300

    76.9

    319

    234

    80

    410

    W200300

     


     

    7. Van Một Chiều Kiểu Wafer (Wafer Check Valve)

    1. Giới thiệu sản phẩm

    Chúng tôi cung cấp một loại van một chiều nhẹ (wafer style), là loại van một chiều sử dụng đĩa kiểu wafer để đóng/mở dòng chảy. Van có hai cổng: cổng vào (inlet) và cổng ra (outlet).
    Van mở khi áp suất bên cổng vào vượt quá áp suất mở (cracking pressure). Khi áp suất bên cổng vào giảm, đĩa được ép để đóng van wafer.

    Mặc dù thân van mảnh, nhưng được làm bằng thép không gỉ (stainless steel), gang cầu (ductile iron) hoặc thép cacbon (carbon steel), giúp van đủ chắc để chịu áp suất và nhiệt độ cao. Van một chiều wafer được sử dụng trong nhiều ứng dụng công nghiệp.
    Những van này có chi phí kinh tế, có nhiều kích cỡ, lưu lượng và vật liệu khác nhau để phù hợp với từng ứng dụng. Sử dụng van một chiều wafer giúp dễ dàng tiếp cận các bộ phận bên trong để sửa chữa, bảo trì và vệ sinh.

    2. Tính năng và ứng dụng

    • Đáp ứng hoặc vượt tiêu chuẩn AWWA C515 (Meet or exceed AWWA C515)

    • Hai cổng (Two Ports)

    • Chiều dài mặt đối mặt theo ANSI125/150 (Face to Face Dimensions)

    • Lớp phủ Epoxy liên kết nhiệt cả trong và ngoài theo AWWA C550 (Fusion Bonded Epoxy Coated Interior and Exterior)

    3. Các bộ phận chính

    Thành phần

    Vật liệu

    Thân (Body)

    Gang cầu / Thép cacbon / Thép không gỉ (Ductile iron / CS / SS)

    Đĩa (Disc)

    Gang cầu hoặc thép không gỉ (Ductile iron or Stainless Steel)

    Trục (Shaft)

    Thép không gỉ (Stainless Steel)

    Lò xo (Spring)

    SS304 / SS316 / SS420 / SS431

    Van Một Chiều cánh bướm Kiểu Wafer (Wafer Dual Plate Check Valve)
    Bảng vẽ Van Một Chiều cánh bướm

     

     

     


     

    Spec

    Pressure

    Size

    Code

    Inch

    DN

    Psi

    D

    D1

    125/L

    150/L

    2

    50

    300

    101

    70.5

    54

    60

    W001

    2 1/2

    65

    300

    121

    80

    60

    67

    W001

    3

    80

    300

    134

    98

    67

    73

    W001

    4

    100

    300

    171

    117

    67

    73

    W001

    5

    125

    193

    193

    145

    83

    93

    W001

    6

    150

    300

    219

    172

    95

    98

    W001

    8

    200

    300

    276

    221

    127

    127

    W001

    10

    250

    300

    336

    275.5

    140

    146

    W001

    12

    300

    300

    406

    325.5

    181

    181

    W001

     


     

    7. Van Một Chiều Đĩa Đàn Hồi Góc 45° (45 Degree Resilient Check Valve)

    Van Một Chiều Đĩa Đàn Hồi Góc 45°

     

    Sản phẩm khác

    1. Van Một Chiều Đầu Rãnh (Grooved Check Valve)

    Van một chiều kiểu đòn ngang OLVO Model P100 được cung cấp với đầu rãnh và được thiết kế cho các dịch vụ tổng hợp, bao gồm khai thác mỏ và các ứng dụng dầu khí. Van P100 có nắp bonnet được khoan, taro ren (1/2" NPT), bịt kín và cố định bằng khớp nối OLVO SH-70MS.
    Chốt van (clapper) bằng thép không gỉ 316 được bọc tiêu chuẩn bằng Nitrile. Tùy chọn khác, chúng tôi cung cấp bọc Fluoroelastomer (Viton) hoặc Teflon để đáp ứng yêu cầu sử dụng của bạn.

    • Van P100 cỡ 4” được trang bị khớp nối linh hoạt OLVO 777Z cỡ 5”.

     

    Van Một Chiều Đầu Rãnh (Grooved Check Valve)

     

    Đường kính danh nghĩa

    Đường kính ngoài của ống

    Áp suất làm việc tối đa (CWP)*

    Cấp áp suất định mức tại 100°F / 38℃.

    Kích thước

    Trọng lượng xấp xỉ.

    A

    B

    C

    in/mm

    in/mm

    PSI/Bar

    PSI/Nom.Class

    mm/in

    mm/in

    mm/in

    Lbs/Kgs

    2

    2.375

    1000

    1000

    9

    4.92

    7.44

    14.6

    50

    60.3

    70

    400

    229

    125

    189

    6.65

    2.875

    1000

    1000

    9.25

    5

    8.82

    23.1

    65

    73

    70

    400

    235

    127

    224

    10.5

    3

    3.5

    1000

    1000

    10.75

    5.42

    8.82

    27.3

    80

    88.9

    70

    300

    273

    137.5

    224

    12.4

    4

    4.5

    600

    600

    12

    7.63

    8.74

    38.5

    100

    114.3

    40

    300

    305

    168

    222

    17.5

    6

    6.5

    600

    600

    16.22

    8.9

    14.56

    107.8

    150

    168.3

    40

    300

    412

    226

    370

    49

     

     


     

    Trụ Cứu Hỏa Ngoài Trời Kiểu Ước (Wet Type Outdoor Fire Hydrant)

    Giới thiệu sản phẩm (4”)

    Trụ cứu hỏa ngoài trời là thiết bị cung cấp nước được lắp đặt trên mạng lưới ống cấp nước chữa cháy ngoài trời hoặc mạng lưới cấp nước đô thị. Đây là một trong những thiết bị quan trọng trong công tác phòng cháy chữa cháy.

    Chức năng chính:

    1. Cung cấp nước cho xe chữa cháy lấy từ mạng lưới cấp nước đô thị hoặc mạng lưới cấp nước ngoài trời.

    2. Có thể kết nối trực tiếp vòi nước vào trụ cứu hỏa để dập lửa.

    Trụ cứu hỏa ngoài trời BS750 cỡ 4 inch do công ty chúng tôi sản xuất thuộc loại trụ nổi trên mặt đất và kiểu ẩm (wet fire hydrant). Trụ sử dụng kết nối mặt bích 4 inch cho đường cấp nước và áp suất danh nghĩa là 232 Psi.
    Trụ chủ yếu bao gồm hai van ra cỡ 2,5 inch (một van kết nối 4 inch NH) và thân trụ. Thân trụ lộ trên mặt đất và van ra có thể kết nối trực tiếp.

    Thông số kỹ thuật

    Thành phần Vật liệu / Chi tiết
    Thân trụ (Body) Gang đúc (Cast Iron)
    Van ra (Outlet) Đồng (Brass)
    Kích thước cửa vào / Đường kính danh nghĩa DN100 (4 inch)
    Kích thước cửa ra / Đường kính danh nghĩa 2.5 inch × 2 BS336 Connection + 1 NH Connection
    Áp suất làm việc 232 Psi
    Hoàn thiện bề mặt Sơn màu đỏ (Painting Red)
    Trọng lượng 40 kg
    Phạm vi sử dụng Hệ thống cấp nước chữa cháy (Fire Water Supply System)
    Wet type Outdoor Fire Hydrant
    Trụ Cứu Hỏa Ngoài Trời Kiểu Ước

     

    Giới thiệu sản phẩm trụ cứu hỏa ngoài trời cỡ 6” (Product Introduction for 6”)

    Trụ cứu hỏa ngoài trời là thiết bị cung cấp nước được lắp đặt trên mạng lưới ống cấp nước chữa cháy ngoài trời hoặc mạng lưới cấp nước đô thị. Đây là một trong những thiết bị quan trọng trong công tác phòng cháy chữa cháy.

    Chức năng chính:

    1. Cung cấp nước cho xe chữa cháy lấy từ mạng lưới cấp nước đô thị hoặc mạng lưới cấp nước ngoài trời.

    2. Có thể kết nối trực tiếp vòi nước vào trụ cứu hỏa để dập lửa.

    Trụ cứu hỏa ngoài trời BS750 cỡ 6 inch do công ty chúng tôi sản xuất thuộc loại trụ nổi trên mặt đất và kiểu ẩm (wet fire hydrant). Trụ sử dụng kết nối mặt bích 6 inch cho đường cấp nước và áp suất danh nghĩa là 232 Psi.
    Trụ chủ yếu bao gồm hai van ra cỡ 2,5 inch, một van kết nối 4 inch NH và thân trụ. Thân trụ lộ trên mặt đất và van ra có thể kết nối trực tiếp.

    Thông số kỹ thuật

    Thành phần Vật liệu / Chi tiết
    Thân trụ (Body) Gang đúc (Cast Iron)
    Van ra (Outlet) Đồng (Brass)
    Kích thước cửa vào / Đường kính danh nghĩa DN150 (6 Inch)
    Kích thước cửa ra / Đường kính danh nghĩa 2.5 inch × 2 BS336 Connection + 1 NH Connection
    Áp suất làm việc 232 Psi
    Hoàn thiện bề mặt Sơn màu đỏ (Painting Red)
    Trọng lượng 110 kg
    Phạm vi sử dụng Hệ thống cấp nước chữa cháy (Fire Water Supply System)

     


    3. Trụ cứu hỏa nổi kiểu khô (Dry Barrel Fire Hydrant).

    Giới thiệu

    Trụ cứu hỏa nổi kiểu khô (Dry Barrel Fire Hydrant).

    Đặc điểm

    • Thiết kế thân khô (Dry Barrel Design): Loại bỏ nguy cơ hư hỏng trụ cứu hỏa do đóng băng hoặc ăn mòn ở phần trên của trụ.

    • Thiết kế gãy rời (Breakaway Design): Giúp hạn chế tai nạn cho trụ cứu hỏa; khi xảy ra va chạm, chỉ phần trên của mặt bích sẽ bị gãy, bảo vệ phần thân chính của trụ.

    • Thiết kế theo tiêu chuẩn AWWA C502, quy định về độ dày thành, tổn thất áp lực và các nút kết nối vòi chữa cháy.

    • Kết cấu đơn giản, chắc chắn, dễ dàng bảo trì và bảo dưỡng.

    • Trụ cứu hỏa bằng gang cầu (Ductile Iron Hydrants) có thể cung cấp theo yêu cầu.


    Bảng kích thước

    DN ØD ØC ØK t n-Ød f
    150 285 240 211 19 8-23 3
    100 220 180 156 19 8-19 3

    Chú thích:

    • DN: Đường kính danh nghĩa

    • ØD: Đường kính ngoài mặt bích

    • ØC: Đường kính vòng bu lông

    • ØK: Đường kính tâm lỗ bu lông

    • t: Độ dày mặt bích

    • n-Ød: Số lỗ bu lông – đường kính lỗ bu lông

    • f: Chiều cao gờ mặt bích (Raised face)

    STT Bộ phận (Description) Vật liệu (Material)
    19 Nắp trên (Top Cover) Gang cầu (Ductile Iron)
    18 Gioăng O (O-Ring) NBR
    17 Đai ốc trục (Stem Nut) Đồng (Brass)
    16 Thân trên (Upper Barrel) Gang cầu (Ductile Iron)
    15 Cửa ra nước (Water Outlet) Đồng (Brass)
    14 Nắp cửa ra nước (Water Outlet Cover) Gang cầu (Ductile Iron)
    13 Trục trên (Upper Stem) Thép carbon (Carbon Steel)
    12 Gioăng O (O-Ring) NBR
    11 Móc kẹp (Claw) Gang cầu (Ductile Iron)
    10 Thân dưới (Lower Barrel) Gang cầu (Ductile Iron)
    9 Đai ốc (Nut) Thép carbon (Carbon Steel)
    8 Bu lông (Bolt) Thép carbon (Carbon Steel)
    7 Khớp nối trục (Stem Coupling) Gang cầu (Ductile Iron)
    6 Cụm trục dưới (Lower Stem Assembly) Thép carbon (Carbon Steel)
    5 Van một chiều (Check Valve) Đồng (Brass)
    4 Gioăng thân (Body Seal) Đồng (Brass)
    3 Gioăng đĩa (Disc Seal) EPDM
    2 Đĩa van (Disc) Gang cầu (Ductile Iron)
    1 Cút 90° (90° Bend) Gang cầu (Ductile Iron)

     

     


     

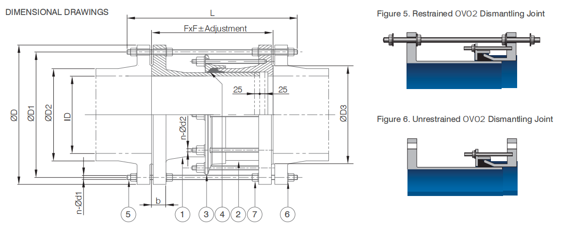
    Khớp nối tháo lắp

    👉 Dismantling Jointkhớp nối có thể điều chỉnh chiều dài, được dùng để:

    • Lắp đặt hoặc tháo rời van, máy bơm, thiết bị trên đường ống dễ dàng

    • Bù sai lệch khoảng cách giữa hai mặt bích

    • Thuận tiện bảo trì, thay thế thiết bị

    Cách gọi phổ biến trong ngành cấp thoát nước

    • Khớp nối tháo lắp

    • Khớp tháo lắp mặt bích

    • Khớp nối điều chỉnh chiều dài

    Ví dụ cách ghi trong catalog

    Dismantling Joint (Flanged Type)
    Khớp nối tháo lắp mặt bích

    Ứng dụng

    • Hệ thống cấp nước

    • Nhà máy nước

    • Trạm bơm

    • Đường ống lớn DN100 – DN2000

    Khớp nối tháo lắp
    OV02 SERIES
    Khớp nối tháo lắp dòng OV01

    ĐẶC ĐIỂM (FEATURES)

    • Sơn phủ bột epoxy

    • Thân bằng gang cầu

    • Thanh nối (tie rods) bằng thép không gỉ

    • Có cấu hình cố định hoàn toàn (restrained)không cố định (unrestrained)

    • Khả năng điều chỉnh dọc trục ± 25 mm


    TÙY CHỌN (OPTIONS)

    • Gioăng NBR

    • Nhiều lựa chọn về vật liệu và lớp hoàn thiện của bulong – đai ốc:

      • Bulong mạ kẽm

      • Thép không gỉ 304 hoặc 316

      • Bulong phủ Dacromet®

      • Thép cường lực 4.8 hoặc 8.8

    • Khoan mặt bích phù hợp với nhiều tiêu chuẩn mặt bích khác nhau:

      • AS2129 T/E

      • ANSI 150

      • EN 1092

    • Cấp áp suất PN25

     

    ỨNG DỤNG ĐIỂN HÌNH (TYPICAL APPLICATIONS)

    Khớp nối tháo lắp OV01 & OV02 được thiết kế nhằm đơn giản hóa việc lắp đặt, bảo trì và tháo rời các thiết bị sau:

    • Van chặn (Isolation valves)

    • Van một chiều (Non-return valves)

    • Van điều khiển (Control valves)

    • Đồng hồ đo và thiết bị liên quan

    • Máy bơm và thiết bị liên quan

    Khớp nối tháo lắp OV01 & OV02 được sử dụng rộng rãi trong nhiều lĩnh vực, bao gồm:

    • Trạm bơm

    • Nhà máy xử lý nước

    • Nhà máy xử lý nước thải

    • Hệ thống đường ống công nghiệp

    • OV01 là loại khớp nối tháo lắp truyền thống, được cung cấp với bộ thanh nối đầy đủ (100% restrained); tuy nhiên theo yêu cầu có thể cung cấp loại 25% hoặc 50% restrained.

    • OV02số lượng thanh nối ít hơn OV01, giúp lắp đặt nhanh và dễ dàng hơn nhưng vẫn đảm bảo độ chắc chắn và độ cứng vững của khớp nối tháo lắp.


    DỮ LIỆU KỸ THUẬT (TECHNICAL DATA)

    Dải kích thước:
    DN80 – DN200

    Cấp áp suất:
    PN16

    Lớp phủ:
    Epoxy liên kết nhiệt (Fusion Bonded Epoxy), được chứng nhận AS/NZS 4020

    Dải nhiệt độ làm việc:
    -10℃ đến 80℃

    Kết nối khoan mặt bích:
    Theo tiêu chuẩn AS/NZS 4087 CL16.

     

    MÔ TẢ (DESCRIPTION)

    Các khớp nối tháo lắp OV01 và OV02 của OLVO là loại mặt bích đôi, giúp dễ dàng lắp đặt và tháo rời các ống có mặt bích cùng các thiết bị đi kèm như van, đồng hồ đo và máy bơm. OV01 và OV02 được sử dụng rộng rãi trong nhiều ứng dụng thuộc ngành nước và xử lý nước thải, khai thác mỏ và các ngành công nghiệp khác.

    Nguyên lý hoạt động của OV01 và OV02 là mặt bích kín trung tâm được kéo sát vào mặt bích ghép, nhờ đó nén vòng đệm cao su để tạo kín hoàn toàn. Nguyên lý này vừa đơn giản, vừa hiệu quả và rất thực tiễn.

    • OV01 có một thanh nối (tie rod) duy nhất kết nối cả ba mặt bích.

    • OV02 có thanh nối nối từ đầu này đến đầu kia và một thanh nối riêng cho mặt bích kín.

    Đề xuất: nên kiểm tra với cơ quan chức năng địa phương để xác nhận dòng sản phẩm nào được phép sử dụng cho ứng dụng của bạn.

     

     


     

    DÒNG OV01

    THÔNG SỐ VẬT LIỆU VÀ DANH MỤC BỘ PHẬN (MATERIAL SPECIFICATIONS & PARTS LIST)

    Số thứ tự (No.) Mô tả (Description) Vật liệu (Material)
    1 Cút có mặt bích dài (Flanged Spigot Long) Gang cầu (Ductile Iron), phủ epoxy liên kết nhiệt (fusion bonded epoxy coated)
    2 Cút có mặt bích ngắn (Flanged Spigot Short) Gang cầu (Ductile Iron), phủ epoxy liên kết nhiệt (fusion bonded epoxy coated)
    3 Mặt bích kín (Sealing Flange) Gang cầu (Ductile Iron), phủ epoxy liên kết nhiệt (fusion bonded epoxy coated)
    4 Vòng đệm kín (Sealing Ring) EPDM
    5 Thanh nối (Tie Rod) Thép không gỉ, phủ Teflon® (Stainless Steel, Teflon® coated)
    6 Vòng đệm (Washer) Thép không gỉ 316 (Stainless Steel 316)
    7 Đai ốc (Nut) Thép không gỉ 316 (Stainless Steel 316)

    Thông số kỹ thuật vận hành

    • Áp suất danh nghĩa (Nominal Pressure): PN16

    • Kiểm tra:

      • Thử độ bền (Strength Test): 24 Bar

      • Thử kín (Sealing Test): 17.6 Bar

    • Nhiệt độ làm việc tối đa (Max Working Temperature): -10ºC đến +80ºC


     

     

    Kích thước (mm) (DIMENSIONS (MM))

    OV01 DN80 - DN1200 Khoan mặt bích theo tiêu chuẩn AS/NZS 4087 CL16 Số lượng thanh nối (No. of Tie Rods)
    DN ID L FxF Adjustment b ØD ØD1 ØD2 ØD3 n-Ød1 25%
                   Restrained
    50%
                   Restrained
    100%
                   Restrained
    80 83 340 205 ±25 19 185 146 98 122 4-M16     4
    100 101 340 205 ±25 19 215 178 118 154 4-M16   4 4
    150 154 340 205 ±25 19 280 235 170 186 8-M16   4 8
    200 206 350 215 ±25 20 335 292 222 211 8-M16   4 8
    250 258 380 220 ±25 22 405 356 274 328 8-M16 3 6 8
    300 307 400 240 ±25 25 455 406 326 378 12-M20 3 6 12
    350 359 410 240 ±25 27 525 470 378 438 12-M24 3 6 12
    375 400 430 250 ±25 28 550 495 406 463 12-M24 3 6 12
    400 408 430 250 ±25 28 580 521 429 489 12-M24 3 6 12
    450 456 450 265 ±25 30 640 584 480 532 12-M24 3 6 12
    500 508 460 275 ±25 32 705 641 532 609 16-M24 4 8 16
    600 613 500 295 ±25 36 825 756 635 717 16-M27 4 8 16
    700 711 530 300 ±25 40 910 845 738 806 20-M27 5 10 20
    750 760 530 320 ±25 43 995 927 775 888 20-M30 5 10 20
    800 817 560 320 ±25 43 1060 984 842 942 20-M33 5 10 20
    900 911 580 320 ±25 47 1175 1092 945 1050 24-M33 6 12 24
    1000 1012 600 330 ±25 50 1255 1175 1048 1130 24-M33 6 12 24
    1200 1216 640 350 ±25 57 1490 1410 1255 1365 24-M33 6 12 32

    Các kích thước khác có sẵn theo yêu cầu

     


     

    DÒNG OV02

    THÔNG SỐ VẬT LIỆU VÀ DANH MỤC BỘ PHẬN (MATERIAL SPECIFICATIONS & PARTS LIST)

    Số thứ tự (No.) Mô tả (Description) Vật liệu (Material)
    1 Cút có mặt bích dài (Flanged Spigot Long) Gang cầu (Ductile Iron), phủ epoxy liên kết nhiệt (fusion bonded epoxy coated)
    2 Cút có mặt bích ngắn (Flanged Spigot Short) Gang cầu (Ductile Iron), phủ epoxy liên kết nhiệt (fusion bonded epoxy coated)
    3 Mặt bích kín (Sealing Flange) Gang cầu (Ductile Iron), phủ epoxy liên kết nhiệt (fusion bonded epoxy coated)
    4 Vòng đệm kín (Sealing Ring) EPDM
    5 Thanh nối (Tie Rod) Thép không gỉ, phủ Teflon® (Stainless Steel, Teflon® coated)
    6 Vòng đệm (Washer) Thép không gỉ 316 (Stainless Steel 316)
    7 Đai ốc (Nut) Thép không gỉ 316 (Stainless Steel 316)

    Thông số kỹ thuật vận hành

    • Áp suất danh nghĩa (Nominal Pressure): PN16

    • Kiểm tra:

      • Thử độ bền (Strength Test): 24 Bar

      • Thử kín (Sealing Test): 17.6 Bar

    • Nhiệt độ làm việc tối đa (Max Working Temperature): -10ºC đến +80ºC


     

     

    Kích thước (mm) (DIMENSIONS (MM))

    OV02 DN80 - DN1200 Khoan mặt bích theo AS/NZS 4087 CL16 & Chi tiết thanh nối (Tie Rods Details)
    DN ID L FxF Adjustment b ØD ØD1 ØD2 ØD3 n-Ød1 n-Ød2 NO. OF TIE RODS
    80 83 330 205 ±25 19 185 146 98 122 4-18mm 4-M12 4-M16*330mm
    100 101 330 205 ±25 19 215 178 118 154 4-18mm 4-M12 4-M16*330mm
    150 154 330 205 ±25 19 280 235 170 186 8-18mm 4-M12 4-M16*330mm
    200 206 350 215 ±25 20 335 292 222 211 8-18mm 4-M12 4-M16*350mm
    250 258 380 220 ±25 22 405 356 274 328 8-22mm 4-M12 4-M20*380mm
    300 307 400 240 ±25 25 455 406 326 378 12-22mm 6-M12 4-M20*400mm
    350 359 410 240 ±25 27 525 470 378 438 12-26mm 6-M16 4-M24*410mm
    375 400 430 250 ±25 28 550 495 406 463 12-26mm 6-M16 4-M24*430mm
    400 408 430 250 ±25 28 580 521 429 489 12-26mm 6-M16 4-M24*430mm
    450 456 450 265 ±25 30 640 584 480 532 12-26mm 6-M16 4-M24*450mm
    500 508 460 275 ±25 32 705 641 532 609 16-26mm 8-M16 4-M24*460mm
    600 613 500 295 ±25 36 825 756 635 717 16-30mm 8-M16 4-M27*500mm
    700 711 510 295 ±25 40 910 845 738 806 20-30mm 10-M16 5-M27*510mm
    750 788 530 320 ±25 41 995 927 813 888 20-33mm 10-M16 5-M30*530mm
    800 817 560 320 ±25 43 1060 984 842 942 20-36mm 10-M16 5-M33*560mm
    900 911 580 320 ±25 47 1175 1092 945 1050 24-36mm 12-M16 6-M33*580mm
    1000 1012 600 325 ±25 50 1255 1175 1048 1133 24-36mm 12-M16 6-M33*600mm
    1200 1216 640 340 ±25 57 1490 1410 1255 1368 32-36mm 16-M16 8-M33*640mm

    Các kích thước khác có sẵn theo yêu cầu

     


    Ưu điểm của van PCCC Drifco

    Các sản phẩm của Drifco được nhiều đơn vị thi công và kỹ sư lựa chọn nhờ các ưu điểm:

    Chất lượng ổn định

    Van được sản xuất bằng vật liệu gang, thép hoặc hợp kim chất lượng cao, đảm bảo khả năng chịu áp lực tốt.

    Tiêu chuẩn quốc tế

    Nhiều sản phẩm đạt tiêu chuẩn:

    • UL

    • FM

    • ISO

    Độ bền cao

    Sản phẩm có khả năng hoạt động ổn định trong môi trường áp lực lớn và thời gian dài.

    Giá thành cạnh tranh

    So với nhiều thương hiệu châu Âu hoặc Mỹ, Drifco có chi phí đầu tư hợp lý, phù hợp với nhiều dự án tại Việt Nam.


    PME – Nhà phân phối van PCCC Drifco tại Việt Nam

    PME là đơn vị chuyên cung cấp van công nghiệp và thiết bị hệ thống PCCC tại Việt Nam. Với kinh nghiệm nhiều năm trong lĩnh vực van công nghiệp, bẫy hơi, van điều khiển và thiết bị phòng cháy chữa cháy, PME mang đến cho khách hàng các sản phẩm chính hãng, chất lượng và giá cạnh tranh.

    Lý do nên chọn PME

    • Sản phẩm chính hãng

    • Tư vấn kỹ thuật chuyên sâu

    • Hỗ trợ lựa chọn thiết bị phù hợp dự án

    • Hàng sẵn kho, giao nhanh

    • Giá tốt cho nhà thầu và dự án

    PME cung cấp đầy đủ các dòng van Drifco phục vụ cho:

    • Hệ thống sprinkler

    • Hệ thống bơm chữa cháy

    • Hệ thống cấp nước PCCC

    • Nhà máy và khu công nghiệp


    Ứng dụng của van Drifco

    Van Drifco được sử dụng trong nhiều công trình như:

    • Nhà máy sản xuất

    • Kho hàng và logistics

    • Trung tâm thương mại

    • Tòa nhà cao tầng

    • Hệ thống kho xăng dầu và hóa chất

     


    Liên hệ tư vấn van PCCC Drifco

    Nếu bạn đang tìm van PCCC Drifco chất lượng cao, hãy liên hệ PME để được tư vấn và báo giá nhanh chóng.

    PME – Chuyên cung cấp van công nghiệp & thiết bị PCCC

    Bài viết liên quan

  • Nguyên tắc chung khi chọn bẫy hơi
    • Nguyên tắc chung khi chọn bẫy hơi

      09/03/2026

      Trước khi chọn, cần xác định: Loại thiết bị hoặc ứng dụng: Heat exchanger, steam main, steam tracing… Áp suất và nhiệt độ làm việc: Steam trap phải chịu được áp suất và nhiệt độ tương ứng. Lưu lượng condensate: Trap phải xả đủ lượng condensate để thiết bị hoạt động tối ưu. Tải thay đổi: Nếu tải biến động, nên chọn loại hoạt động ổn định khi condensate thay đổi. Khả năng giữ hơi (steam retention): Tránh thất thoát hơi, tiết kiệm năng lượng.

  • Cách chọn bẫy hơi đúng cho từng ứng dụng heat exchanger – steam main – tracing.
    • Cách chọn bẫy hơi đúng cho từng ứng dụng heat exchanger – steam main – tracing.

      09/03/2026

      Việc chọn bẫy hơi – Steam Trap đúng loại là rất quan trọng trong hệ thống hơi, vì mỗi ứng dụng có lưu lượng condensate, áp suất và yêu cầu vận hành khác nhau. Các nhà sản xuất hàng đầu đều khuyến nghị chọn bẫy hơi theo từng loại thiết bị sử dụng hơi như sau. Cách chọn bẫy hơi cho 3 ứng dụng phổ biến nhất.

  • Van công nghiệp KSPC và giải pháp van thở kèm bình ngăn tia lửa tại Phúc Minh
  • Van công nghiệp VinVal: Giải pháp Van cổng thép Inox chịu hóa chất
  • Các loại van công nghiệp sử dụng trong hệ thống phòng cháy chữa cháy
    • Các loại van công nghiệp sử dụng trong hệ thống phòng cháy chữa cháy

      20/12/2025

      Trong lĩnh vực an toàn phòng cháy chữa cháy (PCCC), hiệu quả vận hành của toàn bộ hệ thống phụ thuộc rất lớn vào khả năng hoạt động chính xác và ổn định của các loại van công nghiệp. Đây là những thiết bị đóng vai trò then chốt trong việc kiểm soát, phân phối và điều hướng dòng nước đến đúng khu vực cần thiết khi xảy ra sự cố hỏa hoạn.

    Danh mục
    Hỗ trợ trực tuyến
  • Tư vấn - Báo giá
    Tư vấn - Báo giá
  • Tư vấn - Kỹ thuật
    Tư vấn - Kỹ thuật
  • Tư vấn - Báo giá
    Tư vấn - Báo giá
  • Tư vấn - Kỹ thuật
    Tư vấn - Kỹ thuật
  • Tư vấn - Báo giá
    Tư vấn - Báo giá